| Estado de Disponibilidad: | |
|---|---|
UNMS-U150B
UNICOMP
UNMS-U150B es una fuente de rayos X de microfocus de 150 kV de 150 kV con tecnología de cátodo caliente, control digital y materias primas 100% domésticas. Tiene las ventajas del pequeño tamaño de la mancha focal, la alta aumentación, la emisión de rayos X estables, el mayor poder de producción y la fuerte capacidad de penetración.
Parámetro clave
Max. Voltaje del tubo: 150kV
Max. Potencia del tubo: 60W
Mínimo Tamaño de mancha: ≤7 μm
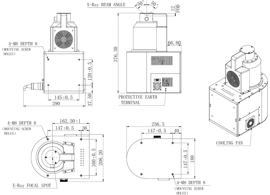
Ángulo de haz: 100 ± 3 °
Aplicaciones
Paquete de circuito integrado
SMT, PCBA Fabricación electrónica
Sustrato / módulo IGBT
Batería EV
Especificación
| Rango de voltaje del tubo de funcionamiento | 40-150 kV |
| Rango de corriente del tubo de funcionamiento | 0-400 μA |
| Potencia de tubo máxima | 60W |
| Voltaje de entrada (DC) | 48 ± 0.5V |
| Consumo de energía | Menos de 150W |
| Material de ventana/grosor | Ser/0.51 mm |
| Diámetro de la ventana | 38 mm |
| Ángulo de haz | 100 ± 3 ° |
| Material objetivo | Tungsteno |
| Fod | 12 ± 0.5 mm |
| Peso | Aprox. 15 kg |
| Enclavamiento | Cortocircuito externo |
| Conexión de control | Control digital |
| Modo de funcionamiento | Continuo |
Imágenes de rayos X
Huella
UNMS-U150B es una fuente de rayos X de microfocus de 150 kV de 150 kV con tecnología de cátodo caliente, control digital y materias primas 100% domésticas. Tiene las ventajas del pequeño tamaño de la mancha focal, la alta aumentación, la emisión de rayos X estables, el mayor poder de producción y la fuerte capacidad de penetración.
Parámetro clave
Max. Voltaje del tubo: 150kV
Max. Potencia del tubo: 60W
Mínimo Tamaño de mancha: ≤7 μm
Ángulo de haz: 100 ± 3 °
Aplicaciones
Paquete de circuito integrado
SMT, PCBA Fabricación electrónica
Sustrato / módulo IGBT
Batería EV
Especificación
| Rango de voltaje del tubo de funcionamiento | 40-150 kV |
| Rango de corriente del tubo de funcionamiento | 0-400 μA |
| Potencia de tubo máxima | 60W |
| Voltaje de entrada (DC) | 48 ± 0.5V |
| Consumo de energía | Menos de 150W |
| Material de ventana/grosor | Ser/0.51 mm |
| Diámetro de la ventana | 38 mm |
| Ángulo de haz | 100 ± 3 ° |
| Material objetivo | Tungsteno |
| Fod | 12 ± 0.5 mm |
| Peso | Aprox. 15 kg |
| Enclavamiento | Cortocircuito externo |
| Conexión de control | Control digital |
| Modo de funcionamiento | Continuo |
Imágenes de rayos X
Huella